产品名称:APEX孔输入单轴左输出方向相反换向器
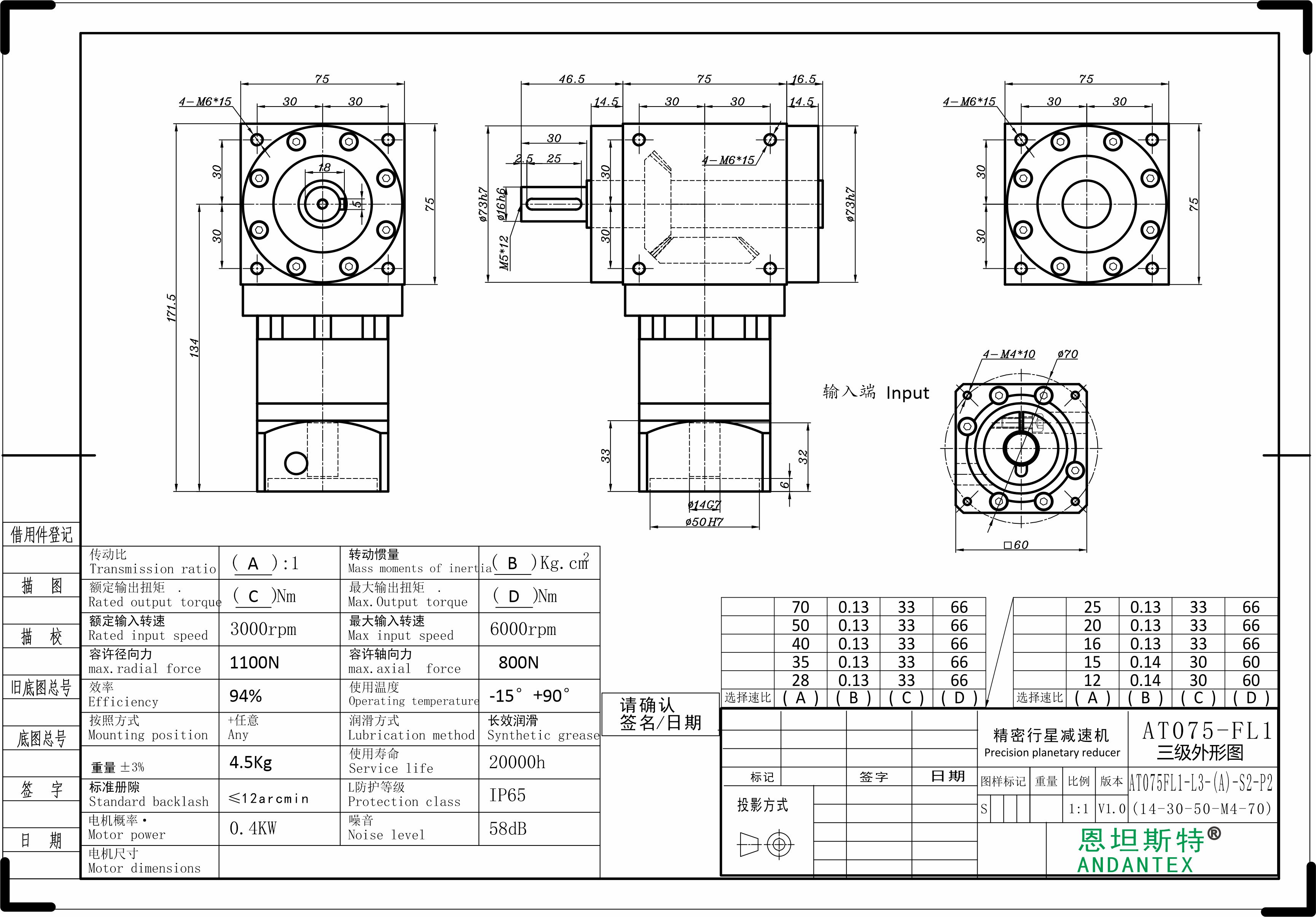
型号:AT075FL1-50-S2-P2
输出扭矩
T2N:700 Nm - 900 Nm
减速比
单节:1
双节:7/10/15/20/25/35/50
三节:75/100/125/150/200/250/350 / 500
低间隙
单节:≤6 arcmin
双节:≤8 arcmin
三节:≤10 arcmin
高效
单节:≥98%
双节:≥94%
三节:≥94%
易于安装
低噪声
结构紧凑
概述:
AT-FL系列是一款直角螺旋锥减速机,带有空心键输出和电机法兰输入配置。高径向负载能力和高精度使AT-FL系列适用于伺服应用以及电力传输解决方案。
体积小,适用于各类小空间运行场合,可搭配伺服电机,步进电机,中空旋转平台等系列产品使用。
特征:左右输出旋转方向相反
适配400KW伺服电机。57步进。
结构特点:
1、箱体为整六边形,其中五个面留有安装孔,能适应不同方位的安装;
2、90度直角转向箱,设计使用寿命长,承载能力大,传动平稳,噪声低;
3、AT精密行星换向器,传动效率大于95%;
3、弧形圆锥伞齿轮组采用低碳合金钢,经渗碳淬火、研磨跑合,实现高精度的齿面闭式传动;
4、AT行星直角换向器有多种规格,有多种速比,选型范围大,输出形式多样,可满足多种场合的需要;
5、可实现减速、增速两种传动方式。
应用:
广泛应用于医疗器械,检测设备,点胶机设备。







【恩坦斯特 · 严苛品质】精密传动技术方案服务商
恩坦斯特(ANDANTEX)专注于精密行星减速机的研发、生产与销售。作为专业的行星减速机厂家,我们深知精密制造对工业自动化的重要性。公司引进先进的德国制造工艺与高精度检测设备,确保每一台伺服行星减速机均具备高刚性、低背隙(1-3弧分)及超长使用寿命。
目前,恩坦斯特系列产品(涵盖斜齿、直角、中空平台、谐波减速机等)已成功服务于机器人、锂电生产线、数控机床及医疗器械等多个高精尖行业。我们承诺为每一位客户提供全系列减速机选型技术支持、3D图纸快速响应及完善的售后保障,助力中国智造走向更高精度。